Описание
Характеристики
Отзывы
Описание
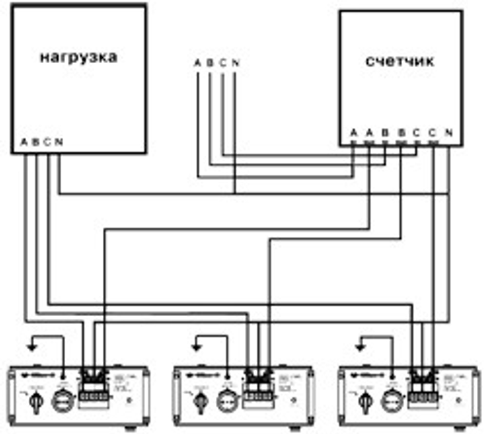
Серия СНПТТ-33 предназначена для потребителей, нуждающихся в стабилизаторах напряжения трехфазных на 30 кВт. Стабилизаторы этой серии представляют собой комплекс из трех блоков по 11 кВт, соединенных между собой по схеме "звезда". Тип стабилизатора: электронный Активная мощность: 33 кВт Полная мощность: 41.30 кВ·А Тип входного напряжения: трехфазное (380 В) Входное рабочее напряжение: 125-265 В Точность стабилизации: 6.5% Количество ступеней стабилизации: 9 Выходное напряжение: 206-234 В Регулировка выходного напряжения: есть Время отклика: 20 мс КПД: 98% Входная частота: 48-52 Гц Форма выходного сигнала: синусоида без искажений Защита: от короткого замыкания, от перегрева, от повышенного напряжения, от помех Размещение: универсальное Тип охлаждения: естественное Уровень шума: 20 дБ Отображение информации: цифровая индикация (вольтметр отображает входное и выходное напряжения) Задержка запуска: есть Bypass: есть Клеммы: есть Класс защиты: IP20 Влажность окружающей среды: 80% (макс.) Рабочая температура: -40 °C 40 °C Габариты, ШхВхГ: 3x420х350х190 мм Масса: 105.6 кг Дополнительная информация: три однофазных блока Volter СНПТТ-33 С - трехфазный электронный стабилизатор напряжения на симисторных ключах. Выполнен в корпусе с жидкокристаллической индикацией. Рассчитан на непрерывный круглосуточный режим работы. Бесшумный. Встроенный «Байпас» (Транзит). Современное охлаждение без применения вентилятора. Возможность эксплуатации при низких температурных показателях (до -40°С). Максимальное количество защит. Простые установка и подключение
Характеристики
Тип товара
Стабилизатор напряжения
Бренд
VOLTER
Производство
Россия
Мощность
33000
Габаритные размеры
3x350x420x160
Установка
Универсальный
Тип напряжения
Трехфазный
Точность , не более ±
6,5
Модельный ряд
СНПТТ
Принцип работы
Симисторный
Отзывы
Отзывов еще никто не оставлял
Ранее просмотренные товары
Каталог
Преимущества
БОЛЬШОЙ ВЫБОР
Самый широкий ассортимент на складе - под любой бюджет и техническую задачу
ОТ ПРОИЗВОДИТЕЛЯ
Поставка на прямую с завода изготовителя - кратчайшие сроки и гарантия качества
НИЗКИЕ ЦЕНЫ
Рекомендованные цены от производителя + акции и скидки
Новости
Подавляющее большинство электроприборов рассчитано на определенное напряжения в сети. В России оно должно быть 220 Вольт в однофазной сети и...
01.01.2021
Реалии наших электросетей таковы, что никто не застрахован от внезапного появления высокого напряжения в линии, а отключением электричества особенно в...
20.07.2017
Бытовые сварочные аппараты незаменимы при осуществлении строительных и ремонтных работ, когда практически ежедневно возникает потребность в изготовлении арматурной сетки, монтаже...
20.07.2017
Для чего нужен стабилизатор? неужели его покупка так необходима? - попробуем разъяснить а Вы принять решение.Во первых для защиты!Защиты Вашего...
20.07.2017
