Описание
Характеристики
Отзывы
Описание
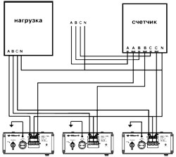
СНПТТ-27ПТсш - стабилизатор напряжения с увеличенным количеством ступеней регулирования. Предназначен для работы в трехфазной сети с максимальной мощностью нагрузок 27 кВт. СНПТТ-27ПТсш является производной модификацией от СНПТТ-27ПТ. Входной диапазон стабилизатора расширен за счет увеличения ширины ступени. Диапазон входного напряжения уверенной стабилизации по фазе, В: 145 - 285 Диапазон входного линейного напряжения уверенной стабилизации, В: 250 - 490 Фазное напряжение защитного отключения по верху, В: 300 Фазное напряжение защитного отключения по низу, В: 65 Максимальная выходная мощность, кВт: 27 Выходная мощность при нижнем значении входного диапазона (при Uвх лин=250 В), кВт: 17.4 Максимальный входной ток, А: 40 Выходное напряжение по фазе, В: 220 Выходное напряжение линейное, В: 380 Возможность коррекции фазного выходного напряжения, В: +/- 15 Возможность коррекции линейного выходного напряжения, В: +/- 25 Точность выходного напряжения, %: +3.5, -5.5 Точность выходного напряжения при симметричном отклонении (в режиме коррекции), %: +/-4.5 Количество ступеней регулирования: 16 Время реакции на изменение входного напряжения, мс: 20 Наличие защиты от высоковольтных импульсных скачков есть Температурный рабочий диапазон, град.: от +1 до +40 Относительная влажность при t=25 град., %: 80 Габариты (ВхШхГ), мм: 3x350x420x160 Вес, кг: 87.6 Конструктивно стабилизатор представляет собой набор из трех блоков мощностью по 9 кВт. Стабилизатор применяют на объектах, где напряжение может быть как сильно низким, так и высоким. Входные характеристики модификации очень похожи на СНПТТ-27Ш, но выходное же напряжение стабилизатор выдает точнее.
Характеристики
Тип товара
Стабилизатор напряжения
Бренд
VOLTER
Производство
Россия
Мощность
27000
Габаритные размеры
3x350x420x160
Установка
Универсальный
Тип напряжения
Трехфазный
Точность , не более ±
5,5
Модельный ряд
СНПТТ
Принцип работы
Симисторный
Отзывы
Отзывов еще никто не оставлял
Ранее просмотренные товары
Каталог
Преимущества
БОЛЬШОЙ ВЫБОР
Самый широкий ассортимент на складе - под любой бюджет и техническую задачу
ОТ ПРОИЗВОДИТЕЛЯ
Поставка на прямую с завода изготовителя - кратчайшие сроки и гарантия качества
НИЗКИЕ ЦЕНЫ
Рекомендованные цены от производителя + акции и скидки
Новости
Подавляющее большинство электроприборов рассчитано на определенное напряжения в сети. В России оно должно быть 220 Вольт в однофазной сети и...
01.01.2021
Реалии наших электросетей таковы, что никто не застрахован от внезапного появления высокого напряжения в линии, а отключением электричества особенно в...
20.07.2017
Бытовые сварочные аппараты незаменимы при осуществлении строительных и ремонтных работ, когда практически ежедневно возникает потребность в изготовлении арматурной сетки, монтаже...
20.07.2017
Для чего нужен стабилизатор? неужели его покупка так необходима? - попробуем разъяснить а Вы принять решение.Во первых для защиты!Защиты Вашего...
20.07.2017
